聯係(xì)我們
18903178757
- 地址:
- 河(hé)北省泊頭市富鎮(zhèn)開發區
- 傳真:
- 0317-8041117
- Q Q:
- 28505225
環隙噴吹脈衝(chōng)袋式(shì)除塵器
(1)結構特點
環隙噴(pēn)吹脈衝袋式除塵器的結構特點是具有環隙引射器(qì)和雙膜片脈衝閥。
環隙引(yǐn)射器是由帶連接套管環形通道的上體(tǐ),與起噴射管作用的下體組成,上、下 體之間有一環(huán)形縫隙,如圖6-43所示。濾袋清灰時,壓縮空氣由環形縫隙噴出(chū),從而在 引射器上部形成一真空圓錐,誘導二次(cì)氣流。二股氣流衝擊振動濾袋,將濾袋上的粉塵 吹落下來。
雙膜片脈衝閥具有主膜片和(hé)控製膜片。如圖6-44所示。主膜(mó)片麵積大,作用於主膜片 兩(liǎng)側的壓力差也大(dà),因此,要開啟(qǐ)主膜片,必須先開啟控製膜片,以消除壓力差。雙膜片結 構工作可靠.抗幹(gàn)擾性強。
(2)係列規格
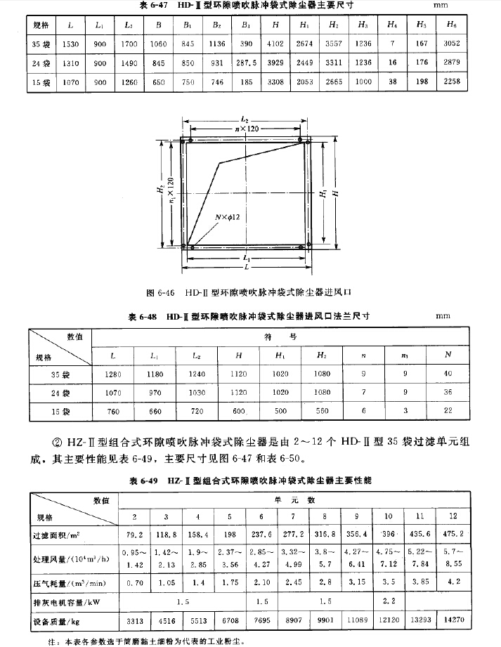
①HD-II型環(huán)隙噴吹脈衝(chōng)袋(dài)式除塵器係列規格有35袋、24袋和〗5袋(dài)三種,其主要性 能見表6-46,主要尺寸(cùn)見圖6-45和表6-47,進風口法蘭尺(chǐ)寸見圖6-46和表6-48。



②HZ-II型組合式環隙噴吹脈衝袋(dài)式除塵器是由2?12個HI>n型35袋過濾單(dān)元組 成(chéng),其主要性能見表6-49,主要尺寸見圖6-47和表6-50。



