聯(lián)係我們
18903178757
- 地址:
- 河北(běi)省泊頭(tóu)市富鎮開發區
- 傳真:
- 0317-8041117
- Q Q:
- 28505225
高溫旋風除塵器
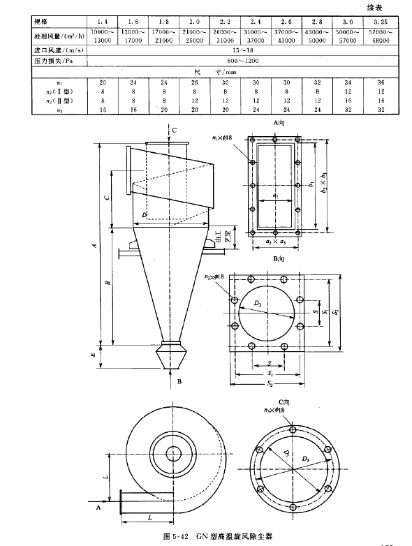
5.11.1技術性能
GN型高溫(wēn)旋風除塵器是專為高濃度、高溫含(hán)塵氣體(tǐ)的預處理除塵器^粉塵(chén)濃度可達 I000g/m3,含塵(chén)氣體溫度高達(dá)350Ce其(qí)除塵效(xiào)率為80%?95%,壓力損(sǔn)失為(wéi)800? 1200Pa。
結(jié)構特點是(shì)采用了蝸殼斜向(xiàng)進風和膨脹(zhàng)式集灰鬥。
5.11.2 GN型高溫(wēn)旋(xuán)風除塵器
GN型(xíng)高溫旋風除塵器規格有處理風量(liàng)自10000?SSOOOmVh共10種,其尺(chǐ)寸見圖 和表5-63。



下一篇:旋風慣性除塵器

